COUNTER & BAR
COUNTER & BAR
  • Load image into Gallery viewer, COUNTER & BAR
  • Load image into Gallery viewer, COUNTER & BAR

COUNTER & BAR

Regular price
$1,564.31
Sale price
$1,564.31
Regular price
Sold out
Unit price
per 
Shipping calculated at checkout.

COUNTER & BAR

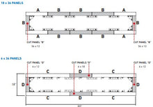
Experience the innovation of Artforms™ , a game-changing large-format modular panel system that allows for endless design options. This system offers two panel styles, ensuring flexibility and versatility for all your outdoor living needs. Its high-strength concrete panels provide clean lines and a modern aesthetic, while being securely held together with stainless steel hardware. Great for projects of any size and ideal for rooftop applications, Artforms™ is easy to install and creates minimal waste, making it a seamless addition to any project. Simply attach panels with provided hardware to construct outdoor kitchens, seating, planters, fire features, and more in a timely and efficient manner.

 

Please note accessories like Wood, BBQ's or Counter Tops are not included in the package price. Our 24x24 Porcelain works great for counter tops and is a very cost effective solution. 


 

Photos shown my not directly reflect the product size shape or color correctly.

Please visit www.belgard.com for additional spec's, colors, patterns and installation info. Or visit our sales centre.